格柵板產品
- 排水格柵板
- 鍍鋅格柵板
- 平臺格柵板
- 齒形格柵板
- 電廠格柵板
- 鋼廠格柵板
- 格柵板圍欄
- 重荷載格柵板
- 異型格柵板
- 格柵蓋板
- 水溝格柵板
- 熱鍍鋅格柵板
- 防滑格柵板
- 插接格柵板
- 格柵板平臺
- 復合格柵板
- 樓梯格柵板
- 冷鍍鋅格柵板
- 踏步格柵板
- 格柵板
鋼格柵板產品
- 鋼格柵
- 鋼格柵板
- 鍍鋅鋼格柵板
- 平臺鋼格柵板
- 插接鋼格柵板
- 復合鋼格柵板
- 壓焊鋼格柵板
- 齒形鋼格柵板
- 特殊鋼格柵板
- 密型鋼格柵板
- 對插鋼格柵板
- 重荷載鋼格柵板
- 船用鋼格柵板
- 工字型鋼格柵板(I型鋼格板)
- 平面型鋼格柵板
- 鍍鋅鋼格柵蓋板
- 熱浸鋅鋼格柵板
- 船舶鋼格柵板
- 脫硫塔鋼格柵板
- 碼頭鋼格柵板
- 化工廠鋼格柵板
- 圍橋墩鋼格柵板
- 油田鋼格柵板
- 光伏發電用鋼格柵板
鋼格板產品
- 鋼格板
- 鍍鋅鋼格板
- 熱鍍鋅鋼格板
- 噴漆鋼格板
- 冷鍍鋅鋼格板
- 異型鋼格板
- 鋸齒形鋼格板
- 密型鋼格板
- 平臺鋼格板
- 插接鋼格板
- 壓焊鋼格板
- 卸油臺鋼格板
- 扇形鋼格板
- 復合鋼格板
- 鋼格板貨架
- 走道鋼格板
- 鋼格板安裝夾
- 玻璃鋼格柵板
- 網格板
- 不銹鋼鋼格板
溝蓋板產品
踏步板產品
球接欄桿產品
安平縣泰江絲網制品有限公司
聯系人:王經理
手機:13833862611
15731850440
電話:0318-7508127
傳真:0318-7508127
微信:13833862611
QQ:865666464
郵編:053600
地址:河北省衡水市安平縣城東開發區
鍍鋅格柵板|格柵板平臺設計
格柵板平臺設計
格柵板平臺
格柵板平臺設計二個系列,稱I系列格柵板平臺及II系列格柵板平臺。格柵板平臺由格柵和框架(由槽鋼及角鋼焊制)組成,見圖1。

圖1 格柵板平臺
設計荷載
通行平臺按2kN/m2等效均布荷載設計,為I系列格柵板平臺。檢修平臺及梯間平臺按4kN/m2等效均布荷載設計,為II系列格柵板平臺。取值依據工業鋼平臺,國標代號:CB40534-83。
格柵板平臺規格尺寸
格柵板平臺寬度為600、800、1000三種(其中寬度600的平臺不能單獨使用,只能拼接),長度為1000-8000.。
格柵板平臺尺寸偏差
格柵板平臺尺寸偏差見表所示

格柵板
1、選用材料
I系列格柵板平臺選用G203/30/100制作,II系列格柵板平臺G205/30/100制作。表面處理有鍍鋅和油漆兩種方式,油漆價格雖然低于鍍鋅價格,但是油漆后,原版重量約增加12-16%;而經鍍鋅后原版重量約增加7%,采用油漆還是鍍鋅格柵板,有設計者決定。
2、格柵的組成
格柵板由縱條(負載扁鋼)橫條(扭絞方鋼)及包邊(扁鋼)組成。見下圖2。

圖2 格柵板
3、格柵銘牌
安裝時為了便于查找堆放處不同尺寸的格柵,應設置格柵銘牌。設置位置:置于兩包邊外側的中間位置。銘牌示例:如下圖。拼音字母采用大寫,字體高度為10mm,筆畫粗度為1mm,字母間隙為4mm,阿拉伯字母采用10號字。如圖3

圖3 格柵銘牌
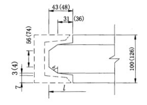
框架
1、框架由槽鋼和角鋼焊接而成

圖4 框架尺寸圖
2、 型鋼鑲接鎖口尺寸
槽鋼與槽鋼鑲接鎖口尺寸

圖5 槽鋼與槽鋼的鑲接圖
角鋼與槽鋼鑲接鎖口尺寸

圖6 槽鋼與角鋼的鑲接圖
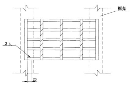
格柵與框架的固定
格柵與框架的固定方式有兩種:(1)焊接(2)安裝架。一般平臺必須采用焊接,只有需要安裝活動平臺,或者起吊孔洞須鋪設蓋板時,方可采用安裝架。
1、焊接:每塊格柵焊接四點,具體位置在格柵每個角第一根扁鋼上,焊縫長度不小于20mm,焊后應用銀粉涂刷被熏黑的地方。

圖7 格柵板的焊接圖
2、安裝架:每塊格柵至少應用四個安裝夾,安裝夾由廠家配套供貨。
平臺支點的允許跨距
平臺的支撐可采用單跨簡支方式,見圖8。當平臺長度超過表列撓度條件的許用跨距長度時,需在跨距內增設中間支點。

圖8 單跨簡支梁
除單跨簡支梁,也可根據工程的具體情況,采用雙懸臂的單跨簡支梁,或單懸臂的單跨簡支梁,分別見圖9和圖10。其允許跨度,設置者根據工程情況經計算后確定。

圖9 具有雙懸臂的單跨簡支梁

圖10 具有單懸臂的單跨簡支梁
單跨簡支梁平臺允許的最大跨距表

- 沒有資料












